
充电器经常见三大故障分析维修
充电器常见的故障有三大类
1:高压故障 2;低压故障 3:高压,低压均有故障。
高压故障的主要现象是指示灯不亮,其特征有保险丝熔断,整流二极管d1击穿,电容c11鼓包或炸裂。q1击穿,r25开路。u1的7脚对地短路。r5开路,u1无启动电压。更换以上元件即可修复。若u1的7脚有11v以上电压,8脚有5v电压,说明u1基本正常。应重点检测q1和t1的引脚是否有虚焊。若连续击穿q1,且q1不发烫,一般是d2,c4失效,若是q1击穿且发烫,一般是低压部分有漏电或短路,过大或uc3842的6脚输出脉冲波形不正常,q1的开关损耗和发热量大增,导致q1过热烧毁。高压故障的其他现象有指示灯闪烁,输出电压偏低且不稳定,一般是t1的引脚有虚焊,或者d3,r12开路,tl3842及其外围电路无工作电源。另有一种罕见的高压故障是输出电压偏高到120v以上,一般是u2失效,r13开路所致或u3击穿使u1的2脚电压拉低,6脚送出超宽脉冲。此时不能长时间通电,否则将严重烧毁低压电路。低压故障大部分是充电器与电池正负极接反,导致r27烧断,lm358击穿。其现象是红灯一直亮,绿灯不亮,输出电压低,或者输出电压接近0v,更换以上元件即可修复。另外w2因抖动,输出电压漂移,若输出电压偏高,电池会过充,严重失水,发烫,最终导致热失控,充爆电池。若输出电压偏低,会导致电池欠充。高低压电路均有故障时,通电前应首先全面检测所有的二极管,三极管,光耦合器4n35,场效应管,电解电容,集成电路,r25,r5,r12,r27,尤其是d4(16a60v,快恢复二极管),c10(63v,470uf)。避免盲目通电使故障范围进一步扩大。有一部分充电器输出端具有防反接,防短路等特殊功能。其实就是输出端多加一个继电器,在反接,短路的情况下继电器不工作,充电器无电压输出。还有一部分充电器也具有防反接,防短路的功能,其原理与前面介绍的不同,其低压电路的启动电压由被充电池提供,且接有一个二极管(防反接)。待电源正常启动后,就由充电器提供低压工作电源。
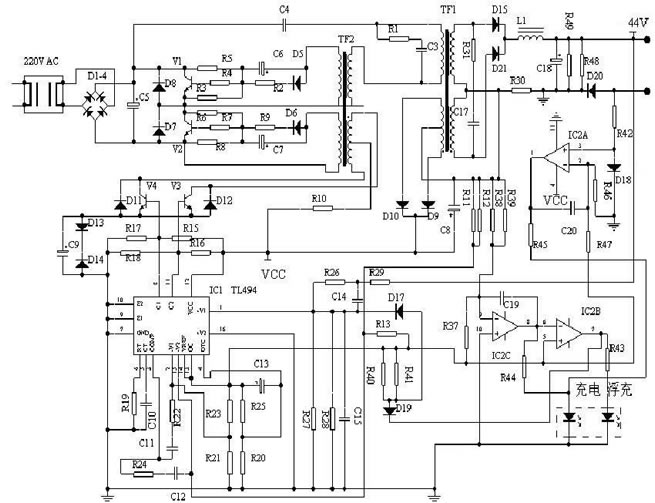
第二种充电器的控制芯片一般是以tl494为核心,推动2只13007高压三极管。配合lm324(4运算放大器),实现三阶段充电。见图表2

&nb
[1] [2]
关键词:充电器三大故障分析检修




